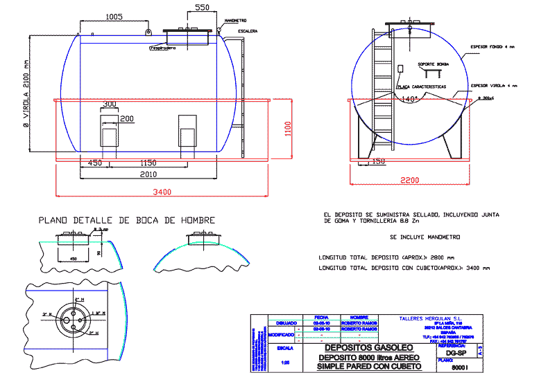
Szimplafalú tartály


Űrtartalom:

  • 8000 liter

Tartály felső rész:

  • 400mm átmérőjű búvó nyílás, csavarokkal és tömítésekkel
  • szellőzőnyílás 1 1/2"-os bronz lángfogóval
  • merülő szintmérő
  • adagoló csatlakozó 3"-as gyorscsatlakozóhoz
  • 3"-as adagoláskorlátozó szelep
  • belső gázolajszint ellenőrző berendezés
  • létra (az adagolóhoz való hozzáféréshez)

Tartály alsó rész:

  • a kitámasztólábaknál kialakított csatlakozóhely a földelő és a villámhárító vezetékekhez
  • a tartály alján elhelyezett biztonsági csavarral ellátott 3/4"-es ürítési karmantyú
  • 1"-es gömbcsap
  • 1"-es visszacsapószelep
  • az adagolóblokkhoz csatlakozó merev összekötőcső

Adagoló (GE70/E80):

  • önindítós, elektromos szivattyú by-pass üzemmóddal és belső szűrővel, 0,5 lóerős motor, 2800 fordulat/perc, 220V egy fázis, 50Hz
  • elektromos kezelőpanel
  • K33 típusú literszámláló, magánhasználatra részleges lenullázóval és növekvő számlálóval
  • 1"-es rugalmas adagolócső
  • 1"-es felszívócső
  • 70 liter/perc autómata töltőpisztoly 1"-es csuklós csatlakozással

Nyitott, szivárgásbiztonsági

tartálymedence:

  • Hosszúság: 3400mm
  • Szélesség: 2200mm
  • Magasság: 2100mm
  • Teljes súly: 1100kg

BTO szám:

  • 25221547

VTSZ:

  • 7309